

SDJ Series ACIM Controller(4kw~5KW)
Power :4KW / 5KW
Overview
SDJ series AC controller is a driver developed for AC electric vehicles in low voltage. As the drive equipment of high reliability and large torque asynchronous motor,designed with four quadrants vector control method,it can control the motor speed & torque precisely.It is widely used in pure electric passenger car,low-speed A00 class passenger car,electric sightseeing vehicle,electric sweeper vehicle,electric logistic vehicle,etc.
Features
- The controller adopts the German DSP,an international mainstream digital drive as a core control chip,which helps to build a good platform for motor control algorithm.
- By using the high power MOSFET tube for power device,it can realize the efficient energy conversion.
- Multiple safety protection for CAN interface and safety certification management of lithium battery BMS.
- Support short circuit protection (phase – ground,phase – phase,phase – source) ,overload, over temperature, over voltage protection.
- A reliable & flexible regenerative brake technology can improve the driving mileage,to meet the needs of customer,even in low speed driving status.
- Using micro-motion technology & slow descent and hill-holding technology for steep slope,more powerful climbing ability,stable hill-holding,stronger start-up.
- Adopt excellent optimization algorithm & frequency 0 to 300 HZ, to reduce noise and vibration amplitude.
- Perfect fault protection function, the buzzer reminds all kinds of faults,it’s convenient maintenance.
- Adopts CAN-bus technology to reduce wiring connected, the parameter can be adjusted and it’s programmable online.
- Adopts compatible design to make the volume smaller and the weight lighter. Self – learning function, simplify the installation and debugging steps.
Specification

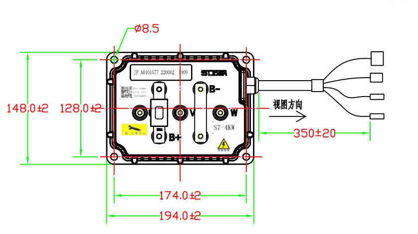
Dimensions









